Category
ALL
PAGETOP
How to
地絡現象~非接地式電路における地絡電流②~
2023.10.24
前回は地絡現象における基礎的なことを中心に解説した。さて、今回は単相2線式配電線路における地絡現象を取り上げる。 図1(a)は配電線を平行に配線した非接地式単相2線式配電線路を、一様に分布する対地静電容量をn個のコンデンサで表したものである。R点側は開放で無負荷だが、両相の対地静電容量により充電電流は「電源~a相側配電線路~a相側対地静電容量~大地~b相側対地静電容量~b相側配電線路~電源」の経路を流れる。
充電電流を I ˙ t とすると、a相側の充電電流は各対地静電容量を均等に流れ( 1 n I ˙ t )、合計で I ˙ t の充電電流が大地へ流れる。 大地からb相の配電線路に流れるときも同様に、充電電流は各対地静電容量を均等に流れ( 1 n I ˙ t )、合計で I ˙ t の充電電流がb相から電源に流れる。 したがって、a相とb相に流れる充電電流 I ˙ t は同相、同値の充電電流となり、両相の充電電流の分布図は図1(b)のようになる。ただし、 I ˙ t の流れる方向は、a相側はP点からR点の方向、b相側はR点からP点の方向である。また、等価回路は図1(c)のように描くことができる。 ここで、図2のように配電線路の任意の位置Q点に、2線を一括して貫通させたZCTを設置したとする。検出位置における電流の大きさは、第1回の図4(c)からa相、b相ともに m l I t となるが、b相側の充電電流はZCTに対して逆方向となるので、位相が反転されて − m l I t となる。 よって、両相のZCTが検出する充電電流の分布図は図2のようになり、検出される電流は、 m l I t − m l I t = 0 [ A ] となる。 したがって、この配電線上ではZCTをどの位置に設けても充電電流は検出されない。
また、図3のように配電線路に単相負荷がR点側に接続されたとすると、負荷電流In[A]はa相側、b相側に等しく流れるが、ZCTに対してa相側を順方向とすると、b相側は逆方向となるので、a相側の検出される負荷電流値はIn、b相側の検出される負荷電流値は-Inとなり、ZCTが検出する負荷電流は、 In-In=0[A]となる。 したがって、正常時においては充電電流と同様に負荷電流もZCTに検出されない。
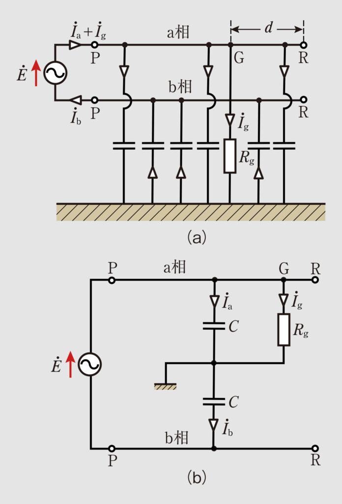
図4(a)は図1(a)においてa相のG点で地絡したものである。GR間をd[km]とすると、その等価回路は図4(b)になる。 ここで、a相側の充電電流を I ˙ a 、地絡電流を I ˙ g 、b相側の充電電流を I ˙ b として、それぞれの方向を図4(b)のようにとると、 I ˙ a + I ˙ g = I ˙ b となる。
地絡電流 I ˙ g は「電源~a相側配電線のPG間~地絡抵抗 R g ~大地~b相側対地静電容量(b相側の充電電流に含まれる)~b相側配電線路~電源」と流れるので、両相の充電電流、地絡電流の分布図は図5のようになる。 なお、地絡電流 I ˙ g は前述のように地絡抵抗 R g を流れる電流なので、図5のように一定の大きさとなる。 図5において、ZCTを設置する任意の点Qにより検出される電流値がどのようになるか、PG間、GR間に分けて算出してみる。ただし、第1回の図4(c)および図2と同様、Q点はPR間を移動し、QR間をm[km](0≦m≦l)とする。また、地絡点Gは移動しないものとする(dは定数)。
・Q点がPG間にある場合(d≦m≦l) この間、a相側には充電電流 I ˙ a と地絡電流 I ˙ g (一定)が流れるので、 m l I ˙ a + I ˙ g [ A ] が流れ、b相側には、 m l I ˙ b が流れる。a相側は順方向、b相側は逆方向であるから、検出される電流は、 m l I ˙ a + I ˙ g − m l I b = m l ( I ˙ a − I ˙ b ) + I ˙ g が成立し、 I ˙ a + I ˙ g = I ˙ b より I ˙ a − I ˙ b = − I ˙ g であるから、 m l ( − I ˙ g ) + I ˙ g = ( 1 − m l ) I ˙ g となり、検出される電流の分布図は図6の一番上のようになる。
・Q点がGR間になる場合(0≦m≦d) この区間において、a相側では地絡電流 I ˙ g が流れないので、a相側の電流は m l I ˙ a 、b相側の電流は m l I ˙ b となる。a相側は順方向、b相側は逆方向であるから、検出される電流は、 m l I ˙ a − m l I ˙ b = m l ( I ˙ a − I ˙ b ) となり、マイナスがつくので縦軸の下側に分布図を描く。 したがって、検出される電流の分布図は図6の一番下のようになる。 以上から、PR間でZCTが検出する電流は 地絡電流 I ˙ g のみ であることがわかる。また、図6の分布図から、地絡電流には次のような特徴があることがわかる。 ・地絡点Gに近いほど、検出される地絡電流は大きくなる。 ・検出した地絡電流は、地絡点GとZCTの設置場所Qの関係により順方向(縦軸上側)か逆方向(縦軸下側)の方向性がある。すなわち、電源側から地絡点へ向かう電流、負荷端から地絡点へ向かう電流がある。 実際の配電路は分岐路やケーブルなどで構成されているため、距離ではなく、対地静電容量で地絡電流の配分を表す(図7(a))。 ただし、各静電容量は以下のとおりとする。 C:配電路の全対地静電容量 Cp:PG側の配電路の総対地静電容量 Cr:RG側の配電路の総対地静電容量 なお、C=Cp+Crなので、ZCTが検出する地絡電流値は次の3つから決まる。 ・設置する場所 ・地絡点のどちら側にあるか ・対地静電容量の配分比 したがって、静電容量の大きなケーブルなどが接続されていると、地絡点より離れていても地絡電流値が大きくなる場合がある。 また、図7(a)は鳳-テブナンの定理に基づき、1線地絡の等価回路図を描くと、図7(b)のように2線一括にした1線の配電線路の電気回路として考えることができる。 したがって、地絡電流は電源側、負荷側に関係なく、配電線が対地から吸い上げた地絡電流が集まりながら地絡点に向かうと考えることが多い。
(古屋 正道)
このシリーズ
← 前の記事
地絡現象~非接地式電路における地絡電流~【「実務×理論」シリーズ1】
次の記事 →
三相3線式配電線路の地絡電流と完全地絡【「実務×理論」シリーズ3】
技術者必携ライセンスの解答例を一挙公開!
第二種電気工事士
>上期学科試験(筆記方式)5月24日(日)解答速報!
License
このサイトはreCAPTCHA(Google)によって保護されています。プライバシーポリシーand利用規約
「OhmshaOnline」が不適切だと判断した場合、投稿の削除コメント機能の利用停止などの措置を行うことがあります。