令和6年度 技術士第一次試験<基礎・適性科目>解答・解説PDFデータ販売中!
Category
ALL
PAGETOP
How to
地絡現象~三相3線式配電線路の地絡電流と完全地絡~
2024.03.11
非接地式三相3線式配電線路の特徴 前回は非接地式単相2線式配電線路の充電電流および地絡電流が流れる経路、分布、ZCTが検出する電流について解説した。これによりZCTは地絡電流のみを検出すること、地絡点とZCTの位置関係により検出される地絡電流には方向性があること、対地静電容量の比によって検出する地絡電流の大きさが決まることがわかった。これらを踏まえ、今回は三相3線式配電線路の地絡電流と完全地絡について取り上げる。 図1(a)は配電線を3線平行に配線した非接地式三相3線式配電線路である。対称三相電圧をE[V](相電圧)、a相、b相、c相、それぞれの対地静電容量をC[μF]、充電電流を I ˙ a 、 I ˙ b 、 I ˙ c とする。
図1(a)からわかるように、三相3線式配電線路に流れる充電電流は各相の電源と対地静電容量が複雑に関係している。 例えば、充電電流 I ˙ a は電源 E ˙ a から出ていく I ˙ aa 、大地から電源 E ˙ a に向かう I ˙ ba 、 I ˙ ca から構成されている。 したがって、充電電流 I ˙ a は次式で表すことができる。 I ˙ a = I ˙ aa − I ˙ ba − I ˙ ca ……(1) 充電電流 I ˙ b 、 I ˙ c においても同様の式が成り立つ。 I ˙ b = I ˙ bb − I ˙ ab − I ˙ cb ……(2) I ˙ c = I ˙ cc − I ˙ ac − I ˙ bc ……(3) また、充電電流 I ˙ aa はa相の対地静電容量を通り、大地へ流れて I ˙ ab と I ˙ ac に分かれ、 I ˙ ab は「b相対地静電容量→b相配電線路→b相電源→a相電源」の経路を、 I ˙ ac は「c相対地静電容量→c相配電線路→c相電源→a相電源」の経路を、それぞれだどる。 このように、電源 E ˙ a から流れる充電電流はb相、c相の充電電流にも影響を与えていることがわかる。これは充電電流 I ˙ bb 、 I ˙ cc についても同様である。 充電電流 I ˙ bb はb相の対地静電容量を通り、大地へ流れて I ˙ ba と I ˙ bc に分かれ、 I ˙ ba は「a相対地静電容量→a相配電線路→a相電源→b相電源」の経路を、 I ˙ bc は「c相対地静電容量→c相配電線路→c相電源→b相電源」の経路を、それぞれだどる。 また、充電電流 I ˙ cc はc相の対地静電容量を通り、大地へ流れて I ˙ ca と I ˙ cb に分かれ、 I ˙ ca は「a相対地静電容量→a相配電線路→a相電源→c相電源」の経路を、 I ˙ cb は「b相対地静電容量→b相配電線路→b相電源→c相電源」の経路を、それぞれだどる。
これらは重ね合わせの理を用いて各相の電源 E ˙ a ~ E ˙ c により発生する充電電流を分けて考えるとわかりやすい。図2にa相の電源 E ˙ a による充電電流のみを表した回路と等価回路を示す。a~c相の対地静電容量に流れる充電電流を、それぞれ I ˙ aa 、 I ˙ ab 、 I ˙ ac とすると、 I ˙ aa = I ˙ a b + I ˙ a c ……(4) が成り立ち、充電電流の帰路は前記したとおりである。電源 E ˙ b による充電電流 I ˙ ba 、 I ˙ bb 、 I ˙ bc と、電源 E ˙ c による充電電流 I ˙ ca 、 I ˙ cb 、 I ˙ cc も同様に、 I ˙ bb = I ˙ b a + I ˙ b c ……(5) I ˙ cc = I ˙ c a + I ˙ c b ……(6) が成り立つ。 また、充電電流 I ˙ a 、 I ˙ b 、 I ˙ c は対地静電容量が等しく、三相3線配電線路を流れるので、 I ˙ a + I ˙ b + I ˙ c = 0 が成り立つはずである。それを以下に示す。 (1)式に(4)式を、(2)式に(5)式を、(3)式に(6)式を代入すると、 I ˙ a = ( I ˙ ab + I ˙ ac ) − I ˙ ba − I ˙ ca ……(7) I ˙ b = ( I ˙ ba + I ˙ bc ) − I ˙ ab − I ˙ cb ……(8) I ˙ c = ( I ˙ ca + I ˙ cb ) − I ˙ ac − I ˙ ba ……(9) となる。ここから、 I ˙ a + I ˙ b + I ˙ c = ( I ˙ ab + I ˙ ac ) − I ˙ ba − I ˙ ca + ( I ˙ ba + I ˙ bc ) − I ˙ ab − I ˙ cb + ( I ˙ ca + I ˙ cb ) − I ˙ ac − I ˙ ba と導くことができる。 配電線路には一様に対地静電容量が分布しているので、各相の充電電流の分布は電源側(P点)から負荷側(R点)に移行するにしたがって小さくなる。よって、図1(b)のような分布となる。なお、等価回路を図1(c)に示す。 ここで、任意の位置Q点にZCTを設置することを考える。 検出される電流の大きさは、図3のように充電電流 I ˙ a 、 I ˙ b 、 I ˙ c は順方向であるから、 m l I ˙ a + m l I ˙ b + m l I ˙ c = m l ( I ˙ a + I ˙ b + I ˙ c ) = 0 となり、配電線上では、どの位置にZCTがあっても充電電流は検出されない。 また、この配電線路のR点側に三相負荷や単相負荷が接続されていても、単相2線式配電線路の場合と同様に電流は検出されない。
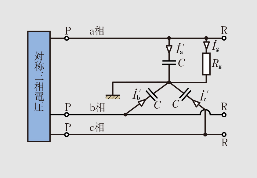
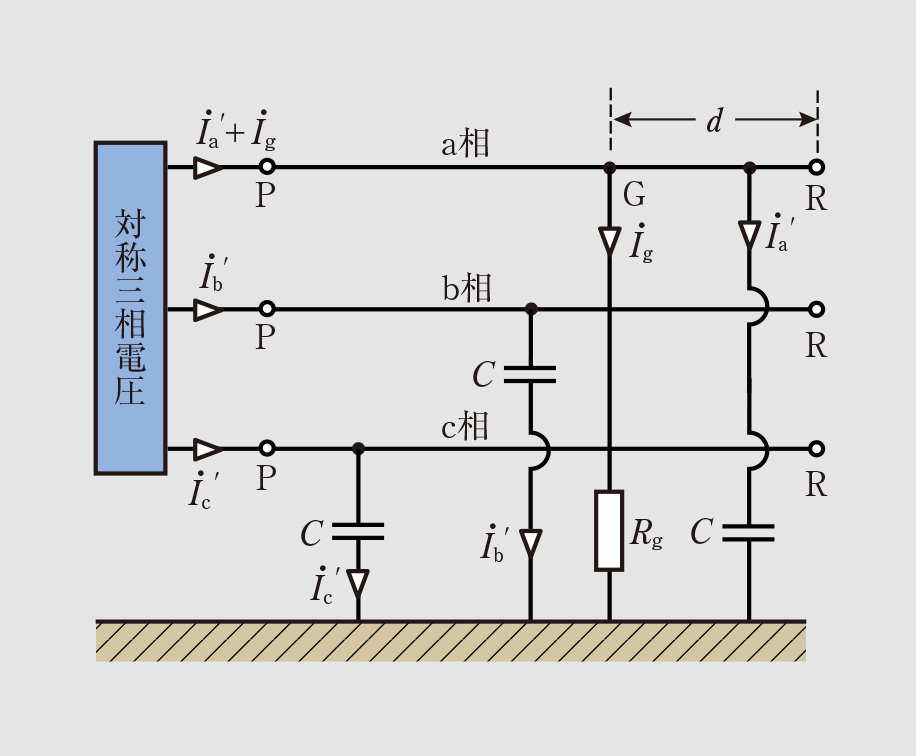
非接地式三相3線式配電線路の地絡 三相3線の場合も単相と同様に考えることができる。 図4は図1(a)のa相のG点で地絡したもので、各相の充電電流を I ˙ a ′ 、 I ˙ b ′ 、 I ˙ c ′ 、地絡電流を I ˙ g とすると、その等価回路は図5となり、各相の充電電流の分布図は図6のようになる。図5から、 ( I ˙ a ′ + I ˙ g ) + I ˙ b ′ + I ˙ c ′ = 0 I ˙ a ′ + I ˙ b ′ + I ˙ c ′ = − I ˙ g が成立するので、PG間、GR間に分けて算出する。
・Q点がPG間にある場合(d≦m≦l) この場合、各相の電流は順方向なので、 m l I ˙ a ′ + I ˙ g + m l I ˙ b ′ + m l I ˙ c ′ = m l ( I ˙ a ′ + I ˙ b ′ + I ˙ c ′ ) + I ˙ g = − m l I ˙ g + I ˙ g = ( 1 − m l ) I ˙ g となる。 ・Q点がGR間にある場合(0≦m≦d) この場合も各相の電流は順方向なので、 m l I ˙ a ′ + m l I ˙ b ′ + m l I ˙ c ′ = m l ( I ˙ a ′ + I ˙ b ′ + I ˙ c ′ ) = − m l I ˙ g となる。 以上から、ZCTが検出する地絡電流の分布図は図7となり、三相でも単相でも同じ結果となる。すなわち、以下のことがいえる。 ・ZCTは地絡電流のみを検出する。 ・地絡点Gに近いほど、検出される地絡電流は大きくなる。 ・検出した地絡電流は、地絡点GとZCTの設置位置Qの関係により順方向(縦軸上方)か逆方向(縦軸下方)の方向性がある。つまり、電源側から地絡点へ向かう電流、負荷端から地絡点へ向かう電流がある。
完全地絡 地絡電流が最大となるのは完全地絡のときであるため、完全地絡を想定して地絡電流を考えることが多い。 (a)単相2線式の場合・健全時の1相あたりの充電電流 I ˙ a 1相あたりの電圧を E ˙ 、健全時における1相あたりの全対地静電容量Cのリアクタンスを X ˙ C とすると、1相あたりの充電電流 I ˙ a は図8より次式となる。 I ˙ a = E ˙ 2 X ˙ C
・完全地絡時の地絡電流 I ˙ g 地絡した相が直接大地に接触すると、 R g =0となって完全地絡となり、地絡した相の電位は大地と同等となって対地静電容量は0となる。このときの地絡点に流れる地絡電流 I ˙ g は Z ˙ a =0、 Z ˙ b = X ˙ C のみの単相回路なので次式となる。 I ˙ g = E ˙ X ˙ C = 2 × E ˙ 2 X ˙ C = 2 I ˙ a 以上から、完全地絡時の地絡電流 I ˙ g は、健全時の1相あたりの充電電流 I ˙ a の2倍の電流が流れることがわかる。 (b)三相3線式の場合 ・健全時の1相あたりの充電電流 I ˙ a 各相電圧を E ˙ a 、 E ˙ b 、 E ˙ c 、健全時における1相あたりの全対地静電容量Cのリアクタンスを X ˙ C とすると、a相の充電電流 I ˙ a は図9より次式となる。 I ˙ a = E ˙ a X ˙ C
・完全地絡時の地絡電流 I ˙ g 各相電圧の和は次式となる。 E ˙ a + E ˙ b + E ˙ c = 0 a相で地絡が発生しているので、a相対地静電容量は0である。また、図9より各相の対地電圧 V ˙ a 、 V ˙ b 、 V ˙ c とすると次式の関係が成り立つ。 a相の対地電圧 V ˙ a = 0 b相の対地電圧 V ˙ b = E ˙ b − E ˙ a c相の対地電圧 V ˙ c = E ˙ c − E ˙ a したがって、対地電圧 V ˙ b と V ˙ c の和は、 V ˙ b + V ˙ c = E ˙ b + E ˙ c − 2 E ˙ a = − 3 E ˙ a となる。 また、地絡点に流れる地絡電流 I ˙ g は、 I ˙ g + I ˙ b ′ + I ˙ c ′ = 0 となる。ここで、 Z ˙ b = Z ˙ c = X ˙ C とすると、 I ˙ b ′ = V ˙ b Z ˙ b = V ˙ b X ˙ C 、 I ˙ c ′ = V ˙ c Z ˙ c = V ˙ c X ˙ C と表すことができるので、地絡電流 I ˙ g は、 I ˙ g = − ( I ˙ b ′ + I ˙ c ′ ) = − ( V ˙ b + V ˙ c ) X ˙ C = 3 E ˙ a X ˙ C = 3 E ˙ a X ˙ C = 3 I ˙ a と求めることができる。 以上から、完全地絡時の地絡電流 I ˙ g は、健全時の1相あたりの充電電流 I ˙ a の3倍の電流が流れることがわかる。 (古屋 正道)
このシリーズ
← 前の記事
単相2線式配電線路における地絡電流【「実務×理論」シリーズ2】
次の記事 →
地絡電圧の考え方【「実務×理論」シリーズ4】
技術者必携ライセンスの解答例を一挙公開!
第二種電気工事士試験
>下期学科試験(筆記方式)10月26日(日)解答速報!
Special
このサイトはreCAPTCHA(Google)によって保護されています。プライバシーポリシーand利用規約
「OhmshaOnline」が不適切だと判断した場合、投稿の削除コメント機能の利用停止などの措置を行うことがあります。